Exploring Innovative Smart Energy Solutions Projects
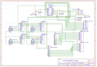
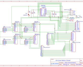
Join me as I share my working project on a smart energy solution. Purpose is add energy to the home when high energy devices are being used (A/C, cooking appliances etc.). Using 4 larger batteries which get charged via solar (1.5kw) or the wind turbine (400w available 24 hours a day). Monitor current and voltage a smart ESP8266 device monitors the batteries and charge sources and uses ESPHome and Home Assistant with Node Red to route the charging sources to the batteries through out the day. The system monitors the energy being used by the house and when above 1.5kw the charged battery is routed to a grid tied inverter (2kw max) to the house grid. This reduces the electrical grid current being drawn.
Warning: When connecting mains/grid devices always use a licensed electrician.


















SHISRLEY
© 2024. All rights reserved.